DCDC Sabit Akım Çipi Yüksek Hassasiyetli Güç Düzenlemesinde Nasıl Çalışır?

2025-12-19 - bana mesaj bırak

Makale Özeti

A DCDC Sabit Akım ÇipiYük veya giriş voltajı değişimlerinden bağımsız olarak istikrarlı ve kontrol edilebilir bir çıkış akımı sağlamak üzere tasarlanmış, modern güç yönetimi sistemlerinin temel bir bileşenidir. Bu makale, DCDC Sabit Akım Çiplerinin nasıl çalıştığına ilişkin kapsamlı bir teknik genel bakış sağlar, temel elektrik parametrelerini inceler, gerçek dünyadaki uygulama senaryolarını araştırır ve sık sorulan teknik soruları yanıtlar. İçerik, mevcut arama davranışına ve profesyonel okuma alışkanlıklarına uygun olarak mühendislikle ilgili karar almayı, bileşen seçimini ve uzun vadeli sistem optimizasyonunu destekleyecek şekilde yapılandırılmıştır.

AS6911SGA


İçindekiler


İçerik Taslağı

  • Temel çalışma prensipleri ve iç mimari
  • Elektriksel ve termal parametrelerin ayrıntılı açıklaması
  • Endüstriyel, otomotiv ve tüketici elektroniği uygulamaları
  • Yaygın mühendislik zorluklarını ele alan Teknik SSS'ler
  • Gelecekteki geliştirme eğilimleri ve sistem düzeyinde entegrasyon

1. DCDC Sabit Akım Çipi Akımı Düzenlemek İçin Nasıl Tasarlanır?

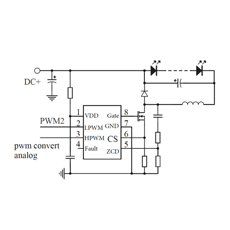
DCDC Sabit Akım Çipi, görev döngüsünü, anahtarlama frekansını ve geri besleme kontrol döngülerini dinamik olarak ayarlayarak sabit bir çıkış akımını koruyan, anahtarlama modlu bir güç yönetimi entegre devresidir. Sabit voltaj regülatörlerinin aksine, birincil kontrol değişkeni voltajdan ziyade akımdır; bu da bu tür çipleri LED'ler, lazer diyotlar, pil şarj devreleri ve hassas sensörler gibi yükler için gerekli kılar.

Dahili olarak çip, yüksek hızlı bir hata amplifikatörü, akım algılama karşılaştırıcısı, referans voltaj kaynağı ve güç MOSFET sürücüsünü entegre eder. Yükten akan akım, dahili veya harici bir algılama direnci aracılığıyla örneklenir. Algılanan bu sinyal bir referans eşiğiyle karşılaştırılır ve kontrol mantığı, hat veya yük değişikliklerini telafi etmek için anahtarlama davranışını ayarlar.

Merkezi tasarım hedefi, değişen giriş koşulları altında mevcut kararlılığı sağlamaktır. Bir DCDC Sabit Akım Çipi, düşürücü, yükseltici veya yükseltici topolojilerde çalışarak verimliliği ve termal güvenliği korurken geniş giriş voltajı aralıklarını destekleyebilir.


2. Temel Parametreler DCDC Sabit Akım Çipinin Performansını Nasıl Tanımlar?

Uygun bir DCDC Sabit Akım Çipinin seçilmesi, elektriksel, termal ve kontrol özelliklerinin yakından değerlendirilmesini gerektirir. Bu parametreler sistemin güvenilirliğini, verimliliğini ve düzenleyici standartlara uygunluğunu doğrudan etkiler.

Parametre Tipik Aralık Teknik Önem
Giriş Gerilim Aralığı 3V – 60V Pil paketleri, adaptörler veya endüstriyel veri yollarıyla uyumluluğu tanımlar
Çıkış Akımı Doğruluğu ±%1 ila ±%5 Dinamik yükler altında akım düzenlemesinin hassasiyetini belirler
Anahtarlama Frekansı 100kHz – 2MHz Verimliliği, EMI performansını ve pasif bileşen boyutunu etkiler
Yeterlik %85 – %98 Isı dağılımını ve güç kaybını doğrudan etkiler
Termal Koruma 150°C – 170°C Kapatma Aşırı yük veya yetersiz soğutma durumunda cihazın arızalanmasını önler

Gelişmiş cihazlar ayrıca yumuşak başlatma kontrolü, PWM karartma arayüzleri, analog akım ayarı ve arıza teşhisi gibi özellikleri de entegre eder. Bu yetenekler sistem düzeyinde tasarımı basitleştirir ve harici devre ihtiyacını azaltır.


DCDC Sabit Akım Çipi – Yaygın Sorular ve Cevaplar

S: Bir DCDC Sabit Akım Çipi, giriş voltajı dalgalandığında kararlı çıkışı nasıl korur?

C: Çip, yük akımını bir geri besleme döngüsü aracılığıyla sürekli olarak izler ve anahtarlama görev döngüsünü gerçek zamanlı olarak ayarlar, düzenlenmiş akım seviyesini değiştirmeden giriş voltajındaki değişiklikleri telafi eder.

S: Yüksek akım DCDC Sabit Akım Çipi uygulamalarında ısı nasıl yönetilir?

C: Isı, yüksek verimli anahtarlama topolojileri, düşük R aracılığıyla yönetilirDS(açık)Isı dağıtımını iyileştiren MOSFET'ler, termal kapatma devreleri ve optimize edilmiş PCB düzenleri.

S: Sistem tasarımında sabit akım çipinin sabit voltaj regülatöründen farkı nedir?

C: Sabit akım çipi, voltaj kararlılığından ziyade akım doğruluğuna öncelik verir, bu da onu voltajın çalışma koşullarına bağlı olarak değişebileceği akıma duyarlı yükler için uygun hale getirir.


3. DCDC Sabit Akım Çipi Endüstrilerde Nasıl Uygulanır?

DCDC Sabit Akım Çipleri, esneklikleri ve verimlilikleri nedeniyle birçok sektörde yaygın olarak kullanılmaktadır. Katı hal aydınlatma sistemlerinde eşit parlaklık sağlar ve LED'in ömrünü uzatır. Otomotiv elektroniğinde uyarlanabilir aydınlatmayı, gösterge gruplarını ve pil yönetimi alt sistemlerini desteklerler.

Endüstriyel otomasyon sistemleri bu çipleri, öngörülebilir akım davranışı gerektiren sensörleri, aktüatörleri ve optik bileşenleri çalıştırmak için kullanır. Tıbbi cihazlar, sinyal doğruluğunu ve hasta güvenliğini garanti etmek için sabit akım düzenlemesine dayanır. Tüketici elektroniği, özellikle taşınabilir cihazlarda kompakt entegrasyon ve düşük güç tüketiminden yararlanır.

Her uygulama senaryosu, uygun koruma özelliklerine ve kontrol arayüzlerine sahip bir çip seçmenin önemini güçlendiren benzersiz elektrik ve çevresel gereksinimleri zorunlu kılar.


4. DCDC Sabit Akım Çip Teknolojisi Nasıl Gelişecek?

DCDC Sabit Akım Çipi teknolojisinin gelişimi, daha yüksek verimlilik, daha geniş giriş voltajı toleransı ve akıllı kontrole yönelik artan talepten kaynaklanmaktadır. Gelecekteki tasarımlar dijital kontrol döngülerini, uyarlanabilir akım ölçeklendirmeyi ve mikro denetleyiciler ve iletişim arayüzleriyle daha sıkı entegrasyonu vurguluyor.

GaN ve SiC gibi geniş bant aralıklı yarı iletken malzemeler, daha yüksek anahtarlama frekansları ve azaltılmış iletim kayıpları sağlayarak yeni nesil mimarileri etkiliyor. Ek olarak, çip üzerinde sistem entegrasyonu, güvenilirliği artırırken ayak izini azaltıyor.

Güç sistemleri daha dağıtık ve akıllı hale geldikçe, sabit akım düzenlemesi, enerji verimliliğini ve performans optimizasyonunu destekleyen temel bir yetenek olmaya devam edecektir.


Shenzhen Cokintech Co., Ltd.endüstriyel, otomotiv ve ileri elektronik uygulamalarına yönelik yüksek performanslı DCDC Sabit Akım Çipi çözümlerinin geliştirilmesine ve tedarikine odaklanmaktadır. Sürekli mühendislik geliştirme ve kalite odaklı üretim sayesinde şirket, istikrarlı ve ölçeklenebilir güç yönetimi tasarımlarını desteklemektedir.

Teknik danışmanlık, parametre özelleştirme veya uygulamaya özel öneriler için lütfenbize Ulaşınproje gereksinimlerini ve uzun vadeli işbirliği fırsatlarını tartışmak.

Talep Gönder

X
Size daha iyi bir gezinme deneyimi sunmak, site trafiğini analiz etmek ve içeriği kişiselleştirmek için çerezleri kullanıyoruz. Bu siteyi kullanarak çerez kullanımımızı kabul etmiş olursunuz. Gizlilik Politikası